聯系我們
咨詢熱線:
13176718765
座機:0536-3729555
郵箱:wfthzg@126.com
地址:山東省臨朐縣東城街道南二環3222號GZ密封型電磁振動給料機
產品概述
GZ系列密封型電磁振動給料機把塊狀、顆粒狀及粉狀物料,從貯料倉庫或漏斗中均勻連續或 定量的給到受料裝置中,可無級調節給料量,并實現生產流程的集中控制和自動控制。其體積小、重量輕、安裝方便、無轉動部件 、不需潤滑、維修方便、工作效率高、消耗電能少。廣泛應用于礦山、冶金、煤炭、輕工、化工、電力、機械、食品等行業。
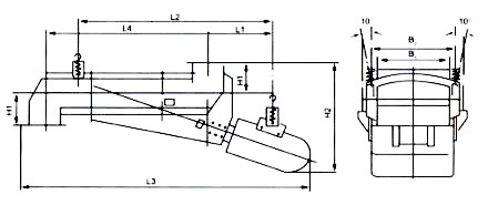
GZ系列電磁振動給料機(密封型)外形尺寸圖:
技術參數
| 類型 | 型號 | 生產率≤T/h | 給料粒度≤mm | 雙振幅mm | 供電電壓~V | 電流A | 功率kw | 配套控制和型號 | 重量kg | 外形尺寸mm | |||||||||
| 工作電流 | 表示電流 | ||||||||||||||||||
| 水平0° | -10° | L1 | L2 | L3 | L4 | H1 | H2 | B1 | B2 | ||||||||||
| 密封型 | GZ0F | 4 | 5.6 | 40 | 1.75 | 220 | 1.34 | 1 | 0.06 | XK35 | 77 | 264 | 716 | -1064 | 600 | 107.5 | -410 | 200 | 250 |
| GZ1F | 8 | 11.2 | 40 | 3.0 | 2.3 | 0.15 | 154 | 288 | 903 | -1420 | 800 | 135 | -520 | 300 | 353 | ||||
| GZ2F | 20 | 28 | 60 | 4.58 | 3.8 | 0.25 | 246 | 300 | 1082 | -1695 | 1000 | 170 | -620 | 400 | 461 | ||||
| GZ3F | 30 | 40 | 50 | 6.8 | 5.5 | 0.35 | 320 | 360 | 1150 | -1810 | 1050 | 190 | -680 | 450 | 510 | ||||
| GZ4F | 40 | 56 | 60 | 8.4 | 7 | 0.45 | 360 | 451 | 1306 | -1940 | 1100 | 207.5 | -750 | 500 | 574 | ||||
| GZ5F | 80 | 112 | 80 | 12.7 | 10.6 | 0.85 | 668 | 528 | 1483 | -2190 | 1200 | 255 | -890 | 700 | 784 | ||||



